天天操天天操天天爽I黄色大片网I久久电影国产免费久久电影I国产99久久久久I亚洲国产视频在线I狠狠操综合网

您好,歡迎訪問江蘇東之正閥業有限公司,本公司是一家,智能電動球閥生產廠家_氣動蝶閥批發_氣動調節閥_閘閥_截止閥_止回閥_針型閥,歡迎定制批發咨詢批發價格

設為首頁| 加入收藏
智能電動球閥廠家、氣動蝶閥批發價格、氣動調節閥生產廠家 全國服務熱線 0510-83123233

全國服務熱線:0510-83123233

閥門產品 PRODUCT

電話:0510-83123233

手機:15370222112

郵箱:jsdongfa@163.com

地址:江蘇省無錫市梁溪區會北路28號

蝶閥

當前位置: 首頁 > 閥門產品 > 蝶閥

伸縮蝶閥

來源:JSDF閥門 發布時間:2019-12-11 次瀏覽

伸縮蝶閥

伸縮蝶閥/氣動伸縮蝶閥/電動伸縮蝶閥適用于溫度≤80℃,公稱壓力≤1.6MPa的食品、醫藥、化工、石油、電力、輕紡、造紙等給排水、氣體管道上作調節流量和截流介質的作用,具有補償管道熱脹冷縮的功能。

伸縮蝶閥  主要特點
1、設計新穎、合理、結構獨特、重量輕、操作方便、啟閉迅速;

2、伸縮蝶閥除了能作調節和截流作用、補償管道溫差所產生的熱脹冷縮功能外,還能為安裝更換、維修閥門提供方便。
3、密封部位可調節更換、密封性能可靠等特點。
伸縮蝶閥

伸縮蝶閥  采用標準
設計標準:GB/T12238-1989
法蘭連接尺寸:GB/T9113.1-2000;GB/T9113.2-2000
GB/T9115.1-2000;GB/T9115.2-2000
壓力試驗:GB/T13927-1992;JB/T9092-1999

伸縮蝶閥  主要技術參數

公稱通徑

DN(mm)

50~2000

公稱壓力

PN(MPa)

0.6

1.0

1.6

試驗壓力

強度試驗

0.9

1.5

2.4

密封試驗

0.66

1.1

1.76

氣密封試驗

0.6

0.6

0.6

適用溫度

≤80℃

適用介質

空氣、水、蒸氣、煤氣、油品等。

驅動形式

手動、蝸桿蝸輪傳動、氣傳動、電傳動。

伸縮蝶閥  主要零件材質

零件名稱

材料

閥體

鑄鐵、鑄鋼、不銹鋼、鉻鉬鋼、合金鋼

蝶板

鑄鋼、合金鋼、不銹鋼、鉻鉬鋼

密封圈

橡膠、聚四氟、聚內脂、不銹鋼

閥桿

2Cr13、不銹鋼、鉻鉬鋼

伸縮管

鑄鐵、鑄鋼、不銹鋼、鉻鉬鋼

填料

柔性石墨

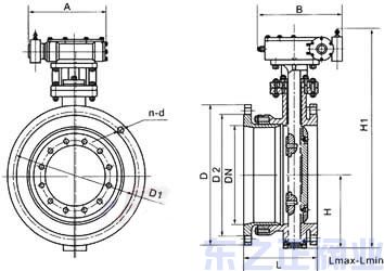
伸縮蝶閥結構圖

伸縮蝶閥  外形尺寸

公稱
通徑

外形尺寸(參考值)

法蘭尺寸和螺栓孔尺寸(標準值)

H

H1

設計最
大長度

設計最
小長度

設計
長度

A

B

0.6MPa

1.0MPa

1.6MPa

毫米

D

D1

D2

n-d

D

D1

D2

n-d

D

D1

D2

n-d

50

80

309

186

156

171

180

200

140

110

88

4-14

165

125

99

4-18

165

125

99

4-18

65

95

337

190

160

175

180

200

160

130

108

4-14

185

145

118

4-18

185

145

118

4-18

80

98

347

198

166

182

180

200

190

150

124

4-18

200

160

132

8-18

200

160

132

8-18

100

114

373

228

188

208

180

200

210

170

144

4-18

220

180

156

8-18

220

180

156

8-18

125

128

405

240

201

220

180

200

240

200

174

8-18

250

210

184

8-18

250

210

184

8-18

150

139

440

246

206

226

270

280

265

225

199

8-18

285

240

211

8-22

285

240

211

8-22

200

174

612

265

219

242

400

425

320

280

254

8-18

340

295

266

8-22

340

295

266

12-22

250

215

693

295

240

267

400

425

375

335

309

12-18

395

350

319

12-22

405

355

319

12-26

300

245

747

308

254

282

450

560

440

395

363

12-22

445

400

370

12-22

460

410

370

12-26

350

270

802

327

272

300

450

560

490

445

413

12-22

505

460

429

16-22

520

470

429

16-26

400

305

991

368

308

338

535

580

540

495

463

16-22

565

515

480

16-26

580

525

480

16-30

450

325

1037

370

310

340

535

580

595

550

518

16-22

615

565

530

20-26

640

585

548

20-30

500

360

1127

392

332

362

535

580

645

600

568

20-22

670

620

582

20-26

715

650

609

20-33

600

445

1377

441

375

408

570

660

755

705

667

20-26

780

725

682

20-30

840

770

720

20-36

700

505

1496

460

400

430

750

550

860

810

772

24-26

895

840

794

24-30

910

840

794

24-36

800

560

1584

499

445

475

750

550

975

920

878

24-30

1015

950

901

24-33

1025

950

901

24-39

900

630

1676

520

460

490

750

550

1075

1020

978

24-30

1115

1050

1001

28-33

1125

1050

1001

28-39

1000

680

1760

600

530

565

900

750

1175

1120

1078

28-30

1230

1160

1112

28-36

1255

1170

1112

28-42

1200

795

2018

675

571

623

1000

925

1405

1340

1295

32-33

1455

1380

1328

32-39

1485

1390

1328

32-48

1400

900

2363

760

683

722

1000

925

1630

1560

1510

36-36

1675

1590

1530

36-42

1685

1590

1530

36-48

1600

1100

2723

860

770

815

1000

925

1830

1760

1710

40-36

1915

1820

1750

40-48

1930

1820

1750

40-56

1800

1124

2844

930

830

880

1100

980

2045

1970

1718

44-39

2115

2020

1950

44-48

2130

2020

1950

44-56

2000

1292

3127

1020

920

970

1100

980

2265

2180

2125

48-42

2325

2230

2150

48-48

2345

2230

2150

48-62

 



上一篇: 美標蝶閥

下一篇: 法蘭襯膠蝶閥