
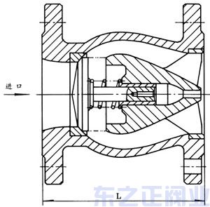
DRVZ、H42X靜音止回閥由閥體、閥座、導流體、閥瓣、軸瓦及彈簧等零件組成。內部流道采用流線型設計,壓力損失小,閥瓣啟閉行程很短,停泵時可快速關閉,防止巨大的水錘聲,形成靜音效果。該閥主要用于給水、排水、消防、暖通系統,可安裝于水泵出口處,防止介質倒流及水錘對泵的損壞。
主要技術參數
公稱壓力 | 1.0 | 1.6 | 2.5 |
最高工作壓力 | 1.0 | 1.6 | 2.5 |
密封試驗壓力 | 1.1 | 1.76 | 2.75 |
殼體試驗壓力 | 1.5 | 2.4 | 3.75 |
適用介質 | 水 | ||
介質溫度 | X<80℃, T≤150℃, H≤200℃ | ||
主要零件材料
零件名稱 | 材料 |
閥體、導流體 | 鑄鐵、鑄鋼 |
閥座、軸瓦、閥瓣、軸 | 青銅或不銹鋼 |
彈簧 | 不銹鋼 |

主要外形尺寸
公稱通徑 | L |
50 | 120 |
65 | 150 |
80 | 180 |
100 | 240 |
125 | 300 |
150 | 350 |
200 | 450 |
250 | 500 |
300 | 550 |
350 | 572 |
400 | 600 |
450 | 650 |
500 | 700 |
法蘭連接尺寸:鐵制閥門按GB4216.4(5)-84標準,鋼制閥門按GB/T9113.1-2000(RF)標準。


